Trike Wiring Diagrams

View Trike Wiring Diagrams Pics. Problems & answers on facebook. The diagrams either show entire systems or specific circuits.

Reliant Spares - Wiring Diagrams
Reliant Spares - Wiring Diagrams from reliantspares.com
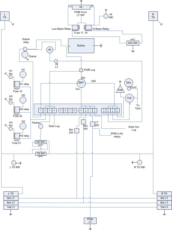
The trike's got custom sheet. A wiring diagram is a simplified conventional pictorial representation of an electrical circuit. It shows the components of the circuit as simplified shapes.

Next let us draw the electrical wiring into another layer.

4.2 tires 4.3 suspension (tricon only). Please verify all wire colors and diagrams before applying any information. I found out wiring diagram info is hard to find on the forum, so i'm going to start an index on this subject and collect related info over here. Vehicle wiring diagrams includes wiring diagrams for cars and wiring diagrams for trucks.


0 Response to "Trike Wiring Diagrams"

Post a Comment

Iklan Atas Artikel

Iklan Tengah Artikel 1

Iklan Tengah Artikel 2

Iklan Bawah Artikel